Apoyo Rodamiento Contraflecha IAME KF
64,85 €
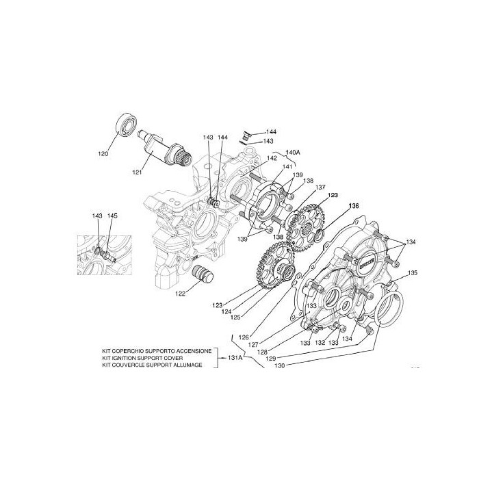
IFC-80500
contraeje Soporte de cojinete IAME KF p>
¡¡Disminución del Stock!!
Descripción
contraeje Soporte de cojinete IAME KF p>
Detalle 141 de la segunda imagen adjunta (Iame KF) p>
